TM 5-3895-376-14&P
5-12. PISTON ASSEMBLY MAINTENANCE INSTRUCTIONS
This task includes:
a. Remove
b. Cleaning
c. Inspection
INITIAL SETUP
Tools
Tool Kit, General Mechanics
Compressor, Piston Ring; item 7, Appx F
d. Repair
e. Installation
Equipment Condition
Compactor set on level ground in a protected area.
Engine off.
Expander, Ring; item 10, Appx F
Punch, Drift; item 37, Appx F
Hammer, Plastic; item 16, Appx F
Materials/Parts
Solvent, Dry Cleaning; item 9, Appx E
Lock Ring (2)
General Safety Instructions
Observe all WARNINGS and CAUTIONS
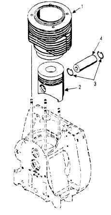
REMOVE
1.
Remove the cylinder head (Para. 5-8)
2.
Remove the compression release (Para. 5-10)
3.
Crank the engine until the piston reaches the bot-
tom of its stroke.
4.
Remove the cylinder (1) by lifting the cylinder off
the piston assembly (2).
5.
Crank the engine until the piston (2) reaches the
top of its stroke, and remove the lock ring (3)
from the gear side of the piston.
6.
Using a drift punch, gently drive out the piston pin
(4), tapping on the flywheel side of the engine.
7.
Remove the piston pin (4) and the piston (2)
5-29